I Camp Akkasæter i Blåtind skytefelt, Målselv kommune, har vi tatt i bruk et moderne renseanlegg som setter en høy standard for miljøvennlige løsninger.
Med ny teknologi og grundig planlegging har vi fått på plass et rensesystem som ivaretar både miljøet, naboenes bekymringer og framtidens behov.
98 prosent rent vann tilbake til naturen
Anlegget sørger for at vannet som renner ut i elva holder hele 98 prosent renhetsgrad. Det betyr at Forsvarsbygg har tatt innspillene fra innbyggerne og Målselv kommune på høyeste alvor. Utslippet fra avløpsrenseanlegget bidrar ikke til negativ påvirkning av vannkvaliteten, noe som var avgjørende da prosjektet startet opp.

– Naboenes innspill og ønsker om å forhindre forurensing har vært viktige for oss, og resultatet er et anlegg som leverer på både kvalitet og miljøhensyn. Dette er mer enn et teknisk prosjekt, det er en grønn suksesshistorie vi er stolte av å dele, forteller prosjektleder Knut Ness i Forsvarsbygg.
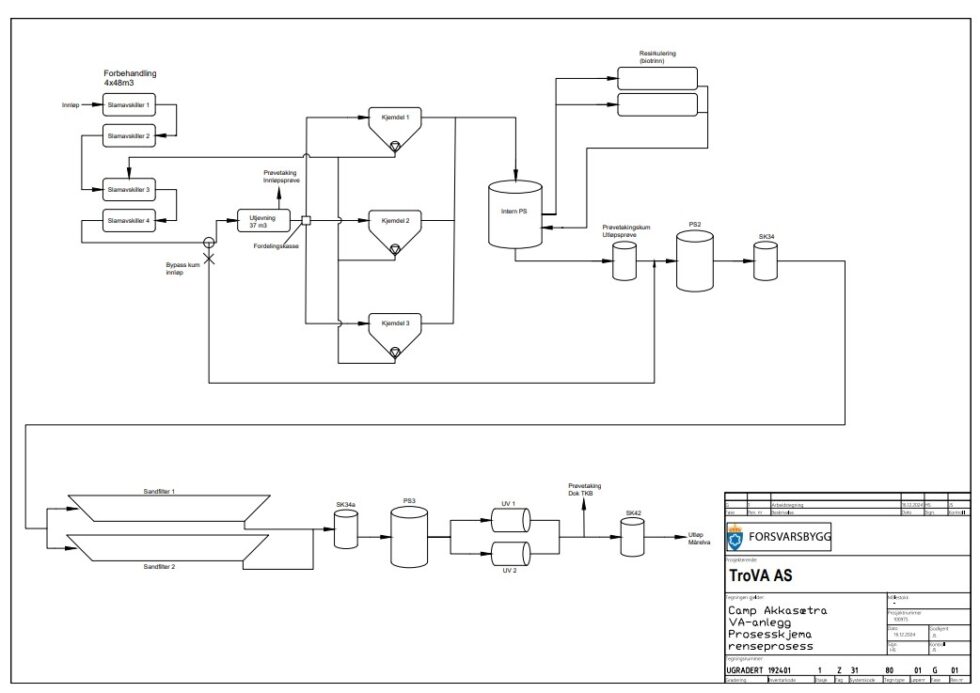
Det er Norconsult som har hatt forprosjektert og utarbeidelse av funksjonsbeskrivelsen av renseanlegget. Totalentreprenør Norvald Jørgensen AS har prosjektert og bygget anlegget
Teknologi i front
Renseanlegget bygger på kjemisk rensing som første hovedtrinn, noe som sikrer at prosessen fungerer nær maksimalt fra første dag. Selv om belastningen er minimal i perioder, er anlegget designet for å levere nesten maksimal renseeffekt, også ved plutselige topper i avløpsmengden.

Sikkerhet i alle ledd
For å unngå utslipp i situasjoner som strømbrudd, har vi lagt ned store fordrøyningstanker. Disse samler opp avløpsvannet til anlegget er i normal drift igjen. Dermed finnes det ingen overløpsmulighet av forurenset vann, en ekstra trygghet for både miljøet og nærområdet.

Bærekraftig miljø tas på alvor
Med dette renseanlegget tar Camp Akkasæter et stort skritt i retning av bærekraft og ansvarlig drift. Vi viser at moderne teknologi kan kombineres med strenge miljøkrav for å bevare naturen og sikkerhet for lokalsamfunnet.
Et annet miljøtiltak i Camp Akkasæter er at et av forlegningsbyggene er Svanemerket.